Zadania na ten i następny tydzień to Wymiarowanie rysunków
Wymiarowanie wykonujemy po to aby w dokładny i szczegółowy sposób wykonać dany przedmiot.
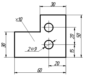
Najważniejsze zasady wymiarowania to
- Podajemy wszystkie niezbędne wymiary
- Nie powtarzamy wymiarów zbędnych
- Dla otworów podajemy 3 wymiary, odległości od krawędzi oraz średnicę
- Wymiary podajemy w milimetrach nie pisząc jednostki miary
Poniżej zamieszczam przykład właściwego wymiarowanie

Wykonajcie proszę poniższe przykłady zgodnie z zasadami wymiarowania

Wykonane prace proszę przesłać na mój adres email: janowski_irek@wp.pl
Pamiętajcie o tym aby wiadomość miała tytuł np Zadania z techniki oraz podpis kto wykonał daną pracę 🙂
Miłej pracy pozdrawiam Was serdecznie